legines.com
64# Brass Union Tee Compression Fitting

64# Brass Union Tee Compression Fitting

Brass Union Tee Compression Fittings 64#

Applikationer: Marknader:
■■ Luftlinjer ■■ Industriell
■■ Smörjlinjer ■■ Förpackning
■■ Kyllinjer ■■ Pneumatisk
■■ Industri ■■ Utskrift
■■ Maskiner
■■ Kompressorer
■■ Flytande överföring

Produktfunktioner:
■■ Uppfyller funktionella kraven i SAE J-512
■■ UL listad för brandfarlig vätska
■■ Mässing eller acetal ärm tillgänglig
■■ Ingen rörförberedelse
■■ Smidda och extruderade former

Referensdel nr:
64 -164C -S64 -64A

Kontakta oss

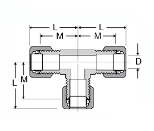
SPECIFIKATIONER

DEL#

Rörstorlek O.D

M

M

D

64-2

1/8

/

.53

.94

64-3

3/16

/

.59

.125

64-4

1/4

/

.627

.188

64-5

5/16

/

.65

.250

64-6

3/8

/

.73

.312

64-8

1/2

/

.94

.406

64-10

5/8

/

1.06

.500

DEL#

Rörstorlek

M1

M2

M3

64-4-4-6

1/4x1/4x3/8

.69

.69

.75

64-4-6-4

1/4x3/8x1/4

.69

.75

.69

64-6-6-4

3/8x3/8x1/4

.75

.75

.69

64-8-8-6

1/2x1/2x3/8

.94

.94

.81

64-10-10-8

5/8x5/8x1/2

1.06

1.06

1.06

*Ref.sae No.060401 BA

Våra 64 mässingsförbundskomprimeringsbeslag är UL listade för brandfarlig vätska och uppfyller de funktionella kraven i SAE J-512. Finns i smidda eller extruderade former, de är tillgängliga med både bearbetade och sockade trådar och i antingen en mässing eller acetalhylsa. Finns med antingen mässing eller acetal ärmar, alla komponenter är designade för enkel installation, så din installation går smidigt.

Kontakt med oss

Om Legines

Legines Industrial Machinery Inc.

Som en professionell China Brass -tillverkare och driver på beslag leverantörer. Det antar full CNC -bearbetning och äger verkstadsområde på 3600 kvadratmeter. 45 Automatiska maskinverktyg, 35 halvautomatiska CNC-maskinverktyg samt distributörer, som har blivit viktiga leverantörer för produktion av amerikanska standard mässingsdelar i Kina ...
  • ära
  • ära

INSTRUKTIONER & Nyheter