legines.com
72# Komprimeringsbeslag manlig gren tee

72# Komprimeringsbeslag manlig gren tee

Applikationer: Marknader:
■■ Luftlinjer ■■ Industriell
■■ Smörjlinjer ■■ Förpackning
■■ Kyllinjer ■■ Pneumatisk
■■ Industri ■■ Utskrift
■■ Maskiner
■■ Kompressorer
■■ Flytande överföring

Produktfunktioner:
■■ Uppfyller funktionella kraven i SAE J-512
■■ UL listad för brandfarlig vätska
■■ Mässing eller acetal ärm tillgänglig
■■ Ingen rörförberedelse
■■ Smidda och extruderade former

Referensdel nr:
72 -172C -S72 -72A

Kontakta oss

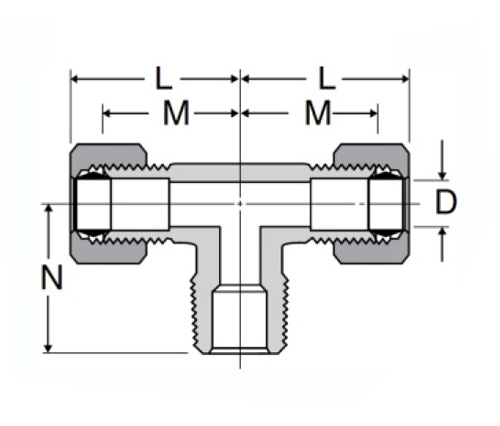
SPECIFIKATIONER

DEL#

Tube o.d × manlig nptf

M

N

D

72-3a

3/16 × 1/8

.63

.69

.125

72-4A

1/4 × 1/8

.63

.75

.188

72-4b

1/4 × 1/4

.69

.88

.188

72-5A

5/16 × 1/8

.72

.75

.250

72-5b

5/16 × 1/4

.75

.88

.250

72-6A

3/8 × 1/8

.75

.75

.312

72-6b

3/8 × 1/4

.79

.87

.312

72-6C

3/8 × 3/8

.88

1.00

.330

72-8C

1/2 × 3/8

.94

1.09

.406

72-8d

1/2 × 1/2

.97

1.19

.406

72-10D

5/8 × 1/2

1.06

1.31

.500

Alla kompressionsbeslag tillverkas för att uppfylla eller överskrida de funktionella kraven i SAE J-512 och UL listad för brandfarlig vätska. De är tillverkade av aluminiumlegering, mässing eller acetal. Våra förfalskade och extruderade former har en hög grad av motstånd mot skador som normalt skulle uppstå i mer konventionella beslag. Vi kommer att göra vilken form du kan föreställa dig upp till en maximal diameter på 2 ”.
Komprimeringsbeslagen Male Branch Tee är en 90 ° grenstyp som passar för användning med koppar, rostfritt stål och termoplaströr. Elbågen svänger 360 ° för att göra det lättare att ansluta till tuffa vinklar och te -rör.

Kontakt med oss

Om Legines

Legines Industrial Machinery Inc.

Som en professionell China Brass -tillverkare och driver på beslag leverantörer. Det antar full CNC -bearbetning och äger verkstadsområde på 3600 kvadratmeter. 45 Automatiska maskinverktyg, 35 halvautomatiska CNC-maskinverktyg samt distributörer, som har blivit viktiga leverantörer för produktion av amerikanska standard mässingsdelar i Kina ...
  • ära
  • ära

INSTRUKTIONER & Nyheter