legines.com
100 mässing inverterad flare montering av rörmutter

100 mässing inverterad flare montering av rörmutter

Produktfunktioner:
■■ All mässingskonstruktion
■■ UL listad för brandfarlig vätska och gas
■■ Uppfyller funktionella kraven i SAE J512
■■ Stålmutter för ekonomi

Marknader: Applikationer:
■■ Luftkonditionering ■■ Köldmedielinjer
■■ Marin ■■ Bromslinjer
■■ Mobil ■■ Bränsleledningar
■■ Motorer

Kompatibelt slang:
■■ Koppar
■■ Mässing
■■ Aluminium
■■ Svetsad hydraulisk slang

Referensdel nr:
2100 41if -100 -41ib

Kontakta oss

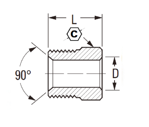
SPECIFIKATIONER

DEL#

Tube O.D

C

D

L

100-3

3/16 3/8 .196

.56

100-4

1/4 7/16 .259 .56

100-5

5/16 1/2 .321 .62

100-6

3/8 5/8 .384 .66

100-8

1/2

3/4

.508

.74

*Ref.sae No.040110 BA

Robust och ekonomisk, denna inverterade flare -montering är gjord av mässing. Beslaget inkluderar en stålmutter för säkerhet och kan användas med koppar, mässing eller aluminiumslang. Det uppfyller alla funktionella krav i SAE J512.
Allmassningskonstruktion, 100% ASME B16.28, SAE J512 & SAE J5195.0 Kompressorbeslag är utformade för användning i höga temperaturapplikationer av ånga och vatten. Slår rörkompatibilitet, det kan anslutas till alla stålrör eller rör upp till 1 tum (25 millimeter).
Denna inverterade flaremonterande rörmutter, allmänt känd som en koppling, är utformad för att ansluta två bitar av slang i samma plan. Montering använder en stålmutter med en flare ände som passar in i den kvinnliga flare som passar i andra änden av röret. Dessa beslag används i stor utsträckning i en rad applikationer från luftkonditionering till marina och mobila dieselmotorer.
Tung tull - Dessa inverterade flare -beslag är helt gjorda av mässing och är speciellt utformade för att användas med antingen koppar- eller aluminiumrör. Varje montering är helt justerbar och den tunga konstruktionen säkerställer hållbarhet under användning.

Kontakt med oss

Om Legines

Legines Industrial Machinery Inc.

Som en professionell China Brass -tillverkare och driver på beslag leverantörer. Det antar full CNC -bearbetning och äger verkstadsområde på 3600 kvadratmeter. 45 Automatiska maskinverktyg, 35 halvautomatiska CNC-maskinverktyg samt distributörer, som har blivit viktiga leverantörer för produktion av amerikanska standard mässingsdelar i Kina ...
  • ära
  • ära

INSTRUKTIONER & Nyheter