legines.com
3151# mässingsbeslag Square Head Plug Pipe Fitting

3151# mässingsbeslag Square Head Plug Pipe Fitting

Produktfunktioner: Marknader:
■■ All mässingskonstruktion ■■ Industriell
■■ Uppfyller funktionella krav på ■■ Konstruktion
SAE J530 och SAE J531 ■■ Tung lastbil
■■ Trådar gjorda enligt Dryseal -standarder ■■ Mobil
■■ Både förfalskning och extrusioner tillgängliga ■■ Fabriks-/processautomation

Applikationer: Kompatibelt slang:
■■ Luftlinjer ■■ Koppar
■■ Vattenlinje ■■ Mässing
■■ Kyllinjer ■■ Järnrör

Specifikationer:
Tryckområde upp till 1000 psi
Temperaturområde -65˚ till 250˚F

Typisk applikation:
Fett, bränslen, LP och naturgas, kylning. Instrumentation och hydrauliska system

Överensstämmelse:
Uppfyller specifikationer och standarder för ASA, ASME och SAE.

Referensdel nr:
3151 -211p -109a -109b

Kontakta oss

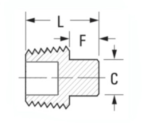
SPECIFIKATIONER

DEL#

Trådstorlek

C

F

L

3151-a

1/8

.28

.24

.58

3151-B

1/8

.37

.29

.80

*3151L-b

1/4

.37

.29

.80

3151-C

3/8

.43

.32

.80

3151L-C

3/8

.43

.32

.80

3151-d

1/2

.56

.39

1.07

*3151L-d

1/2

.56

.39

1.07

3151-e

3/4

.62

.43

1.11

*3151L-E

3/4

.62

.43

1.11

*Ihålig

Vår 3151 -serie erbjuder ett komplett utbud av rörbeslag som används i luftlinjer, vattenledningar och smörjsystem. Dessa mässingsbeslag tillverkas av SAE J530 och SAE J531 för att möta ditt arbetstryck och temperaturer för pålitlig livslängd. Beslag har både förfalskning och extruser tillgängliga, såväl som korrosionsbeständiga pläteringskåp som kan målas till alla OEM -standard. All mässingskonstruktion ger överlägsen korrosionsbeständighet och styrka. Denna passning uppfyller J530 -standarden och är kompatibel med dryseal rörtråd. Oavsett om du bygger en ny luftlinje eller ersätter äldre metallbeslag med modern teknik, kommer dessa hållbara beslag att hjälpa dig att få jobbet gjort rätt.
Fyrkantiga pluggbeslag tillverkas av mässing och kan användas i olika applikationer inklusive kyllinjer, vattenlinjer, luftlinjer och elektroniska anslutningar. Varje montering är kompatibel med kopparrör eller järnrör samt mässingslang.

Kontakt med oss

Om Legines

Legines Industrial Machinery Inc.

Som en professionell China Brass -tillverkare och driver på beslag leverantörer. Det antar full CNC -bearbetning och äger verkstadsområde på 3600 kvadratmeter. 45 Automatiska maskinverktyg, 35 halvautomatiska CNC-maskinverktyg samt distributörer, som har blivit viktiga leverantörer för produktion av amerikanska standard mässingsdelar i Kina ...
  • ära
  • ära

INSTRUKTIONER & Nyheter