legines.com
3600# mässingsbeslag gren tee mässingsrörsbeslag

3600# mässingsbeslag gren tee mässingsrörsbeslag

Produktfunktioner: Marknader:
■■ All mässingskonstruktion ■■ Industriell
■■ Uppfyller funktionella krav på ■■ Konstruktion
SAE J530 och SAE J531 ■■ Tung lastbil
■■ Trådar gjorda enligt Dryseal -standarder ■■ Mobil
■■ Både förfalskning och extrusioner tillgängliga ■■ Fabriks-/processautomation

Applikationer: Kompatibelt slang:
■■ Luftlinjer ■■ Koppar
■■ Vattenlinje ■■ Mässing
■■ Kyllinjer ■■ Järnrör

Specifikationer:
Tryckområde upp till 1000 psi
Temperaturområde -65˚ till 250˚F

Typisk applikation:
Fett, bränslen, LP och naturgas, kylning. Instrumentation och hydrauliska system

Överensstämmelse:
Uppfyller specifikationer och standarder för ASA, ASME och SAE.

Referensdel nr:
2224p -3600 -T9 -x106 -226 -329 -128 -28281 ~ 28285

Kontakta oss

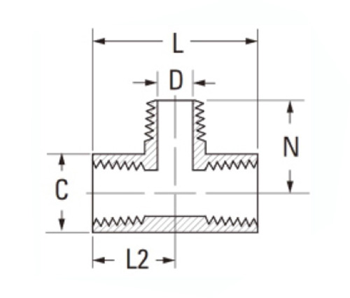
SPECIFIKATIONER

DEL# Trådstorlek C D L2 N
3600-a F1/8 × M1/8 9/16 .219 1.10 .66
3600-B F1/4 × M1/4 11/16 .315 1.56 .91
3600-C F3/8 × M3/8 13/16 .438 1.68 .97
3600-d F1/2 × M1/2 1 " .562 2.18 1.25
3600-E F3/4 × M3/4 1 "-1/4 .750 2.31 1.38

*Ref.sae No.130425

Tunga grenutrustningar är tillverkade av tunga mässing, tillverkade till SAE J530 och SAE J531 -standarderna. De finns tillgängliga i både förfalskning och extrusioner, vilket ger oss mångsidigheten att erbjuda ett brett utbud av alternativ för våra kunder. Dessa grentröjor är konstruerade med både tryck- och temperaturbetyg och är lämpliga för användning i praktiskt taget alla industriella processer. Båda varumärkena kan användas framgångsrikt med denna montering. Vår linje med koppar- och mässingsgrenutrustningar ger dig överlägsen kvalitet och pålitlig prestanda i det bredaste utbudet av applikationer. Våra kvalificerade ingenjörer kan hjälpa dig att välja den bästa produkten eller utforma ett system för att tillgodose dina specifika behov.

Kontakt med oss

Om Legines

Legines Industrial Machinery Inc.

Som en professionell China Brass -tillverkare och driver på beslag leverantörer. Det antar full CNC -bearbetning och äger verkstadsområde på 3600 kvadratmeter. 45 Automatiska maskinverktyg, 35 halvautomatiska CNC-maskinverktyg samt distributörer, som har blivit viktiga leverantörer för produktion av amerikanska standard mässingsdelar i Kina ...
  • ära
  • ära

INSTRUKTIONER & Nyheter