legines.com
3750# mässingsbeslag manlig körning av mässingsrörsbeslag

3750# mässingsbeslag manlig körning av mässingsrörsbeslag

Produktfunktioner: Marknader:
■■ All mässingskonstruktion ■■ Industriell
■■ Uppfyller funktionella krav på ■■ Konstruktion
SAE J530 och SAE J531 ■■ Tung lastbil
■■ Trådar gjorda enligt Dryseal -standarder ■■ Mobil
■■ Både förfalskning och extrusioner tillgängliga ■■ Fabriks-/processautomation

Applikationer: Kompatibelt slang:
■■ Luftlinjer ■■ Koppar
■■ Vattenlinje ■■ Mässing
■■ Kyllinjer ■■ Järnrör

Specifikationer:
Tryckområde upp till 1000 psi
Temperaturområde -65˚ till 250˚F

Typisk applikation:
Fett, bränslen, LP och naturgas, kylning. Instrumentation och hydrauliska system

Överensstämmelse:
Uppfyller specifikationer och standarder för ASA, ASME och SAE.

Referensdel nr:
2225p -225 -3750 -326 -225 -127A -28245 ~ 28249

Kontakta oss

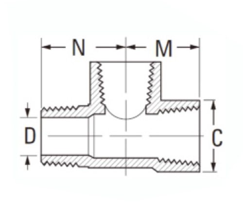
SPECIFIKATIONER

DEL#

Trådstorlek

C

D

M

N

3750-A

1/8

9/16

.219

.55

.66

3750-b

1/4

11/16

.312

.78

.90

3750-C

3/8

13/16

.438

.84

.97

3750-d

1/2

1 "

.562

1.09

1.25

3750-E

3/4

1 "-1/4

.750

1.38

1.38

*Ref.sae.no.130424

#3750 Manliga körbeslag tillverkas av mässing och uppfyller behoven hos industriella, fabriks-/processutomation och mobilapplikationer. De ger en anslutning för trycksatt luftlinjer. Kompatibel slang finns i koppar, mässing och järnrör. Marknaderna inkluderar bygg-, industri- och tunga lastbilsmarknader. Kompatibla material inkluderar luftlinjer, vattenledningar och kyllinjer. Dessa mässingsbeslag finns i manliga och kvinnliga för din bekvämlighet. Materialen är tillräckligt starka för att stå emot läckor och tvinga, vilket gör dem idealiska för alla väderförhållanden.  Varje montering tillverkas med kopparrör, mässing och andra kvalitetsmaterial som ger styrka, hållbarhet och livslängd till stycket.

Kontakt med oss

Om Legines

Legines Industrial Machinery Inc.

Som en professionell China Brass -tillverkare och driver på beslag leverantörer. Det antar full CNC -bearbetning och äger verkstadsområde på 3600 kvadratmeter. 45 Automatiska maskinverktyg, 35 halvautomatiska CNC-maskinverktyg samt distributörer, som har blivit viktiga leverantörer för produktion av amerikanska standard mässingsdelar i Kina ...
  • ära
  • ära

INSTRUKTIONER & Nyheter