legines.com
369PTC Male Elbow Swivel 90 °

369PTC Male Elbow Swivel 90 °

Produktfunktioner:
■■ Mässing
■■ Bura n o-ring
■■ Rostfritt stålrörsstöd
■■ Möter D.O.T. FMVSS571.106
■■ Möter SAE J2494-3
■■ Kompositkropp - stark, lätt, kompakt och slagbeständig
■■ Plug-in-konfigurationer

Marknader:
■■ Tung lastbil
■■ Trailer
■■ Mobil

Applikationer:
■■ Luftbromsar
■■ Lufttankar
■■ Flygresa
■■ Skjutreglage
■■ Däckinflation
■■ Primär- och sekundärledslinjer
■■ Hyttkontroller

Kontakta oss

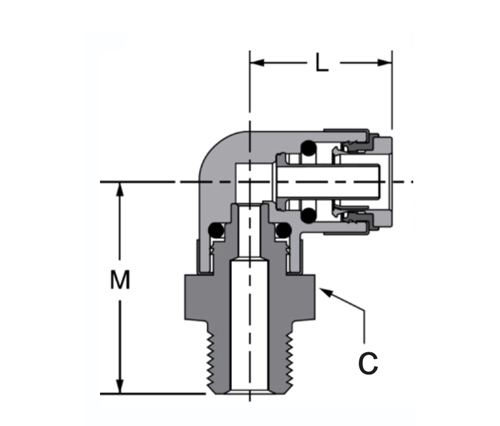
SPECIFIKATIONER

Referensdel nr:

DEL# Rörstorlek X manlig nptf C M L W.g Pris
369PTC-4A 1/4 × 1/8 9/16 .69 .69
369PTC-4B 1/4 × 1/4 9/16 .69 1.20
369PTC-4C 1/4 × 3/8 9/16 .69 1.20
369PTC-6A 3/8 × 1/8 3/4 .99 1.13
369PTC-6B 3/8 × 1/4 3/4 .99 1.28
369PTC-6C 3/8 × 3/8 3/4 .99 1.28
369PTC-6D 3/8 × 1/2 3/4 .99 1.47
369PTC-8B 1/2 × 1/4 15/16 1.11 1.39
369PTC-6C 1/2 × 3/8 15/16 1.11 1.39
369PTC-6D 1/2 × 1/2 15/16 1.11 1.58
369PTC-10C 5/8 × 3/8 1-1/16 1.33 1.60
369PTC-10D 5/8 × 1/2 1-1/16 1.33 1.79
369PTC-12D 3/4 × 1/2 1-3/16 1.52 1.89
369PTC-12E 3/4x3/4 1-3/16 1.52 1.89

369PTC-manens armbåge är en högkvalitativ, helt testad svängbar kontakt med metallkollet, buna n o-ring och rostfritt stålstöd. Det möter D.O.T. FMVSS571.106 Standarder och SAE J2494-3 Standarder för smidig 360 ° svängande åtgärd. Plug-in-konfigurationerna har en sammansatt kropp-stark, lätt, kompakt och slagbeständig.

Kontakt med oss

Om Legines

Legines Industrial Machinery Inc.

Som en professionell China Brass -tillverkare och driver på beslag leverantörer. Det antar full CNC -bearbetning och äger verkstadsområde på 3600 kvadratmeter. 45 Automatiska maskinverktyg, 35 halvautomatiska CNC-maskinverktyg samt distributörer, som har blivit viktiga leverantörer för produktion av amerikanska standard mässingsdelar i Kina ...
  • ära
  • ära

INSTRUKTIONER & Nyheter