legines.com
24m presto grenrör

24m presto grenrör

Produktfunktioner:
■■ Mässing
■■ Bura n o-ring
■■ Rostfritt stålrörsstöd
■■ Möter D.O.T. FMVSS571.106
■■ Möter SAE J2494-3
■■ Kompositkropp - stark, lätt, kompakt och slagbeständig
■■ Plug-in-konfigurationer

Marknader:
■■ Tung lastbil
■■ Trailer
■■ Mobil

Applikationer:
■■ Luftbromsar
■■ Lufttankar
■■ Flygresa
■■ Skjutreglage
■■ Däckinflation
■■ Primär- och sekundärledslinjer
■■ Hyttkontroller

Kontakta oss

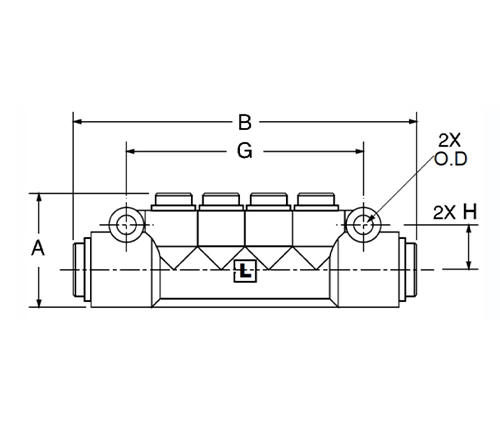
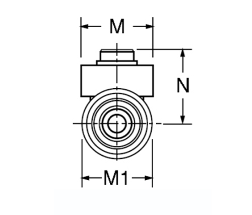
SPECIFIKATIONER

DEL

Inga.

Tube O.D

lnlet

Tube O.D

Utlopp

En B D G H M M1 N
24m-4-4 1/4 1/4 1.33 3.98 .21 2.75 .53 .90 .88 .89
24m-6-4 3/8 1/4 1.33 4.00 .21 2.75 .53 .90 .88 .89
24m-6-6 3/8 3/8 1.65 6.49 .22 4.55 .60 1.02 1.02 1.33
24m-8-8 1/2 1/2 1.65 6.49 .22 4.55 .60 1.02 1.02 1.33
24m-8-6-4-4-6-8 1/2 3/8 & 1/4 1.65 6.49 .22 4.55 .60 1.02 1.02 1.17

24m Presto Manifold är byggd för att tillhandahålla enkel, snabb och pålitlig service. Kompositkropp med stark, lätt, slagbeständig och kompakt design ger styrka samtidigt som bulk minskar. 24m Presto-grenröret är utformat för att uppfylla D.O.T FMVSS571.106, SAE J2494-3 Krav för högtrycksapplikationer. Dess plug & play -kapacitet möjliggör maximal mångsidighet i alla applikationer.

Kontakt med oss

Om Legines

Legines Industrial Machinery Inc.

Som en professionell China Brass -tillverkare och driver på beslag leverantörer. Det antar full CNC -bearbetning och äger verkstadsområde på 3600 kvadratmeter. 45 Automatiska maskinverktyg, 35 halvautomatiska CNC-maskinverktyg samt distributörer, som har blivit viktiga leverantörer för produktion av amerikanska standard mässingsdelar i Kina ...
  • ära
  • ära

INSTRUKTIONER & Nyheter