legines.com
1570 D.O.T 90 ° armbågadapter

1570 D.O.T 90 ° armbågadapter

Produktfunktioner:
■■ Brass Collet
■■ Buna N O-ring
■■ Stainless Steel Tube Support
■■ Möter D.O.T. FMVSS571.106
■■ Meets SAE J2494 & SAE J2494-3

Marknader:
■■ Tung lastbil
■■ Trailer
■■ Mobil

Applikationer:
■■ Luftbromsar
■■ Lufttankar
■■ Flygresa
■■ Skjutreglage
■■ Däckinflation
■■ Primär- och sekundärledslinjer

Compatible Tubing:
■■ SAE J844 Type A & B nylon tubing

Referensdel nr:
AQ70DOT  -  170PMT  -  1870  -  DQ70DOT  -  1570DOT

Kontakta oss

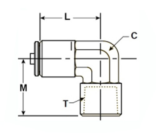
SPECIFIKATIONER

DEL#

Tube O.D × femla nptf

C

M

L

1570-DOT-4A

1/4 × 1/8

3/8

.82

.92

1570-DOT-4B

1/4 × 1/4

1/2

.94

.102

1570-DOT-4C

1/4 × 3/8

5/8

.98

1.11

1570-DOT-6B

3/8 × 1/4

1/2

.94

.96

1570-DOT-6C

3/8 × 3/8

5/8

.91

.98

1570-DOT-8D

1/2 × 1/2

5/8

1.21

1.14

SAE J1570 DOT 90 ° armbågadapter har en mässingskollett och buna n typ O-ring för läckfri fästning och enkel installation, medan rostfritt stålstöd säkerställer hållbarhet. Det möter D.O.T. Krav, uppfylla FMVSS571.106, SAE J2494 & SAE J2494-3 Specifikationer för användning med SAE J844 Typ A & B-nylonrör i tung lastbil, släpvagn och mobila applikationer. Detta 90 ° mässing Elbow Adapter är en solid anslutning mellan två delar av 3/16 SAE AIR-broms. Den låga profildesignen för denna adapter gör att den kan passa in i trånga utrymmen, samtidigt som den är tillräckligt stark för att möta DOT -specifikationen. Denna mässingsarmbåge är utformad för att monteras i slutet av dina luftlinjer, vilket gör att de kan vrida hörn på trånga platser. Den är tillverkad av korrosionsbeständiga material och innehåller ett stödrör i rostfritt stål som håller det robust.

Kontakt med oss

Om Legines

Legines Industrial Machinery Inc.

Som en professionell China Brass -tillverkare och driver på beslag leverantörer. Det antar full CNC -bearbetning och äger verkstadsområde på 3600 kvadratmeter. 45 Automatiska maskinverktyg, 35 halvautomatiska CNC-maskinverktyg samt distributörer, som har blivit viktiga leverantörer för produktion av amerikanska standard mässingsdelar i Kina ...
  • ära
  • ära

INSTRUKTIONER & Nyheter