legines.com
202 Inverterad flare -beslag Maleanslutning

202 Inverterad flare -beslag Maleanslutning

Produktfunktioner:
■■ All mässingskonstruktion
■■ UL listad för brandfarlig vätska och gas
■■ Uppfyller funktionella kraven i SAE J512
■■ Stålmutter för ekonomi

Marknader: Applikationer:
■■ Luftkonditionering ■■ Köldmedielinjer
■■ Marin ■■ Bromslinjer
■■ Mobil ■■ Bränsleledningar
■■ Motorer

Kompatibelt slang:
■■ Koppar
■■ Mässing
■■ Aluminium
■■ Svetsad hydraulisk slang

Referensdel nr:
2200 -48ifhd -202 -48W -200

Kontakta oss

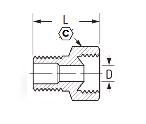
SPECIFIKATIONER

DEL#

Tube O.D × tråd

C

D

L

202-2A

1/8 × 1/8 13/32 .078 .62

202-3A

3/16 × 1/8 15/32 .125 .70

202-4A

1/4 × 1/8 17/32 .188 .74

202-4B

1/4 × 1/4 9/16 .188 .89

202-5A

5/16 × 1/8 19/32 .219 .79

202-5b

5/16 × 1/4 19/32 .220 .98

202-6A

3/8 × 1/8 3/4 ..281 .89

202-6B

3/8 × 1/4 3/4 .281 1.03

202-6C

3/8 × 3/8 3/4 .281 1.01

202-8b

1/2 × 1/4 29.32 .406 1.08

202-8C

1/2 × 3/8 29/32 .406 1.07

202-8d

1/2 × 1/2 29/32 .406 1.26

202-10D

5/8 × 1/2 1-1/16 .531 1.32

202-12E

3/4 × 3/4 1-1/4 .625 1.39

*Ref.sae No.040102 BA

Inverterade flare -beslag kan användas i många applikationer. Dessa beslag är konstruerade av mässing, vilket säkerställer hållbarhet och korrosionsmotstånd. Integrerade O-ringtätningar används för att säkerställa läckfri prestanda. SAE -montering uppfyller också SAE J512 -kraven för trycksatta system.
Vi erbjuder ett stort urval av flare-beslag inklusive superkant, industriell och standard Rosebud. Våra inverterade flare -beslag är tillverkade av 100% mässing, vilket gör dem idealiska för alla industriella applikationer.
Inverterade flare -beslag används för att ansluta slangar och slangar till ventiler eller andra enheter. De består av en klämmöt, en rörmontering och en låsring. Klämmuttern strammas på slangen och håller röret säkert på plats och låsringen förhindrar att röret dras av medan det serviceras. Dragkraften är tillräckligt stor för att dessa beslag kan användas utan PTFE -band men du måste fortfarande smörja trådarna före montering.

Kontakt med oss

Om Legines

Legines Industrial Machinery Inc.

Som en professionell China Brass -tillverkare och driver på beslag leverantörer. Det antar full CNC -bearbetning och äger verkstadsområde på 3600 kvadratmeter. 45 Automatiska maskinverktyg, 35 halvautomatiska CNC-maskinverktyg samt distributörer, som har blivit viktiga leverantörer för produktion av amerikanska standard mässingsdelar i Kina ...
  • ära
  • ära

INSTRUKTIONER & Nyheter