legines.com
3350# 45 graders gata armbåge mässingsrörsbeslag

3350# 45 graders gata armbåge mässingsrörsbeslag

Produktfunktioner: Marknader:
■■ All mässingskonstruktion ■■ Industriell
■■ Uppfyller funktionella krav på ■■ Konstruktion
SAE J530 och SAE J531 ■■ Tung lastbil
■■ Trådar gjorda enligt Dryseal -standarder ■■ Mobil
■■ Både förfalskning och extrusioner tillgängliga ■■ Fabriks-/processautomation

Applikationer: Kompatibelt slang:
■■ Luftlinjer ■■ Koppar
■■ Vattenlinje ■■ Mässing
■■ Kyllinjer ■■ Järnrör

Specifikationer:
Tryckområde upp till 1000 psi
Temperaturområde -65˚ till 250˚F

Typisk applikation:
Fett, bränslen, LP och naturgas, kylning. Instrumentation och hydrauliska system

Överensstämmelse:
Uppfyller specifikationer och standarder för ASA, ASME och SAE.

Referensdel nr:
306 -3350 -2214p -224 -124A

Kontakta oss

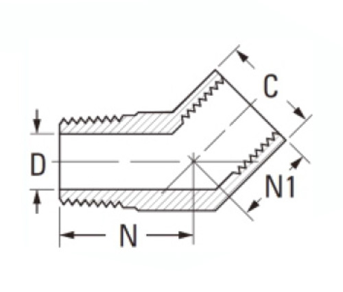
SPECIFIKATIONER

DEL# Trådstorlek C D N N1
3350-a 1/8 × 1/8 9/16 .219 .50 .38
3350-b 1/4 × 1/4 11/16 .315 .74 .56
3350-C 3/8 × 3/8 13/16 .438 .78 .56
3350-d 1/2 × 1/2 1 " .562 1.00 .76
3350-e 3/4 × 3/4 1 "-1/4 .750 1.06 .75

*Ref.sae No.130339

3350 är en 45 graders gata armbågsformad montering. Montering görs för att användas med en mängd olika rörmaterial och tål upp till 1000 psi. Den har också ett driftstemperaturintervall mellan -65˚ och 250˚F. Our 45 graders gatuarmbåge -mässingsrör som görs enligt dina exakta specifikationer av vårt team av erfarna tillverkare. Gatan armbågen är en rörmontering som har två rörtrådar i ena änden och den andra änden har en 90 ° böj i röret. Gatan armbågar används i många olika branscher från VVS till transport. Gatalarmbågar tillverkas i kvinnlig eller manlig konfiguration för att öka flödet av vätskor eller gaser över ett antal tryck, temperaturer och linjestorlekar efter behov av kunden.

Kontakt med oss

Om Legines

Legines Industrial Machinery Inc.

Som en professionell China Brass -tillverkare och driver på beslag leverantörer. Det antar full CNC -bearbetning och äger verkstadsområde på 3600 kvadratmeter. 45 Automatiska maskinverktyg, 35 halvautomatiska CNC-maskinverktyg samt distributörer, som har blivit viktiga leverantörer för produktion av amerikanska standard mässingsdelar i Kina ...
  • ära
  • ära

INSTRUKTIONER & Nyheter