legines.com
3400# mässingsrörsbeslag 90 graders gata armbåge

3400# mässingsrörsbeslag 90 graders gata armbåge

Produktfunktioner: Marknader:
■■ All mässingskonstruktion ■■ Industriell
■■ Uppfyller funktionella krav på ■■ Konstruktion
SAE J530 och SAE J531 ■■ Tung lastbil
■■ Trådar gjorda enligt Dryseal -standarder ■■ Mobil
■■ Både förfalskning och extrusioner tillgängliga ■■ Fabriks-/processautomation

Applikationer: Kompatibelt slang:
■■ Luftlinjer ■■ Koppar
■■ Vattenlinje ■■ Mässing
■■ Kyllinjer ■■ Järnrör

Specifikationer:
Tryckområde upp till 1000 psi
Temperaturområde -65˚ till 250˚F

Typisk applikation:
Fett, bränslen, LP och naturgas, kylning. Instrumentation och hydrauliska system

Överensstämmelse:
Uppfyller specifikationer och standarder för ASA, ASME och SAE.

Referensdel nr:
2202P -3400 -304 -115 -202 -116A -28156 till 2816

Kontakta oss

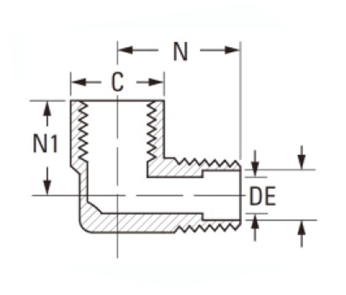
SPECIFIKATIONER

DEL# Trådstorlek C D N N1
3400-AA 1/8 × 1/8 9/16 .219 .66 .47
3400-bb 1/4 × 1/4 11/16 .315 .91 .72
3400-cc 3/8 × 3/8 13/16 .438 .97 .78
3400-DD 1/2 × 1/2 1 " .562 1.25 1.03
3400-ee 3/4 × 3/4 1-1/4 .750 1.38 1.12

Ref.sae No.130239

3400# mässingsrörsbeslag 90 graders gata armbåge är tillverkad av all mässingskonstruktion och kompatibel med både förfalskning och extrusioner; Industriella kvalitetsbeslag som uppfyller de funktionella kraven i SAE J530 och SAE J531; Marknad: Konstruktion, tung lastbil och mobil. Båda standarderna följs för att arbeta med mobila applikationer som är termoplastiska gummi (TPR) har utvecklats för användning i bil-, industriella och kommersiella applikationer där CPVC är oförenlig. Detta svets slut 90 graders gata -armbåge är lämplig för användning i hydrauliska system, särskilt när man arbetar under extremt tryck. Det finns i ett brett utbud av storlekar och har exceptionell korrosionsbeständighet. Denna montering används för att ansluta luftlinjer som består av kopparrör. Den har en 90 graders vinkel och är gjord av mässing, så det kan tåla hårda väderförhållanden.

Kontakt med oss

Om Legines

Legines Industrial Machinery Inc.

Som en professionell China Brass -tillverkare och driver på beslag leverantörer. Det antar full CNC -bearbetning och äger verkstadsområde på 3600 kvadratmeter. 45 Automatiska maskinverktyg, 35 halvautomatiska CNC-maskinverktyg samt distributörer, som har blivit viktiga leverantörer för produktion av amerikanska standard mässingsdelar i Kina ...
  • ära
  • ära

INSTRUKTIONER & Nyheter